With the gradual development of LED lighting, more and more customers will habitually take pictures of LED lamps with their mobile phones, and determine whether the lamps are harmful to human eyes by observing whether there is flicker. This approach is not completely correct.
Traditional fluorescent lamps are directly used with 50Hz alternating current, and their strobe is 100Hz. When shooting with a digital camera, water ripples will appear due to the difference in sampling frequency. LED lamps are powered by DC power supplies, and the light emitted by their light sources will also be in the form of DC (with tiny fluctuations or pulsations superimposed on the DC basis). From a physical point of view, the volatility of its light emission is indeed far lower. The degree of fluctuation in the luminescence of a light source operating on alternating current. However, its input power supply is still in the form of AC, and it is difficult to completely avoid AC ripples passing through the LED light source. Therefore, there will be flickering when shooting LED lamps with a digital camera.
Can it be concluded that flickering on a camera is harmful to human eyes? In fact, "the human eye is sensitive to light fluctuations in the low-frequency range." For example, the frequency of warning lights such as ambulances is about 8-10 Hz, which is most likely to cause eye discomfort and arouse everyone's alertness. These frequencies are far lower than the optical frequency range of light sources operating with normal AC power supply, so "there is no discomfort for normal human eyes when the light source operates at the frequency of the current civilian power supply." Currently, the light frequency of light sources widely used around the world is 50-60 Hz (including LED displays and LED TVs), so it is even more inaccurate to say that the ripple current output by LED lamps at 100 Hz will affect human eye comfort.
For now, LED power supplies can simply meet the flicker-free requirements. Roughly speaking: 1. Increase the output electrolytic capacitor. 2. Adopt a valley-filling passive PFC solution. 3. Adopt a two-level solution (AC to DC, DC to DC).
Let's first discuss the first solution "increasing the output electrolytic capacitor". This solution can theoretically use electrolytic capacitors to absorb part of the AC ripple, but actual experience tells us that when the ripple is controlled within a certain range (10% ), it is difficult to further reduce it, unless more electrolytic capacitors are added regardless of cost, it cannot be fundamentally eliminated.
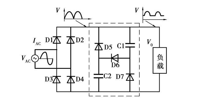
The second method is "adopting a valley-filling passive PFC solution", which is also the most mainstream processing method. Non-isolation solutions commonly use Jingfengmingyuan or duty cycle solutions. The isolation solution can use Xinlian or IWATT (the earliest solution has been basically eliminated). The circuit principle is as follows. Two large capacitors and three diodes are used for power factor correction. Because there is a large electrolytic capacitor behind the rectifier bridge, the AC ripple is absorbed, and the current flowing through the inductor or transformer to the secondary part is DC.

However, the valley-filling scheme also has certain problems. First, the non-isolated valley-filling scheme will cause the output no-load voltage to be uncontrolled, which can easily cause damage to the lamp beads. Secondly, it cannot be made into a full voltage input of 90-265V. The valley value of the output voltage of the valley-filling circuit is only half of the valley value of the electrolytic filter circuit. The output voltage after rectification by the valley-filling rectification method is much lower than the output voltage after ordinary rectification. It may be that the low voltage input after using the valley filling method is insufficiently loaded. Furthermore, no matter the isolated or non-isolated valley filling scheme, the harmonic test simply cannot pass. The power factor cannot quite reach above 0.9. Therefore, this solution cannot fully meet certification standards such as UL and DLC. See attached page for test data.
The third method is to use a two-stage solution. Adding a DC to DC stage to our existing isolated power supply can completely eliminate the impact of AC ripple. The electrical parameters can also fully meet the certification standards. However, this solution has a certain increase in cost. It requires adding an additional power management chip and some peripheral circuits, and the total cost will increase by about 7 yuan.
To this end, Juxin Deyuan Technology has now cooperated closely with a well-known American chip design company and is developing a device that truly achieves flicker-free through internal adjustments of the chip. This technology uses a method of first boosting and then reducing the voltage. The entire process is completed with one chip, achieving smooth DC output while ensuring PFC and THD.
Attached are the current mainstream flicker-free power supply test data:




